
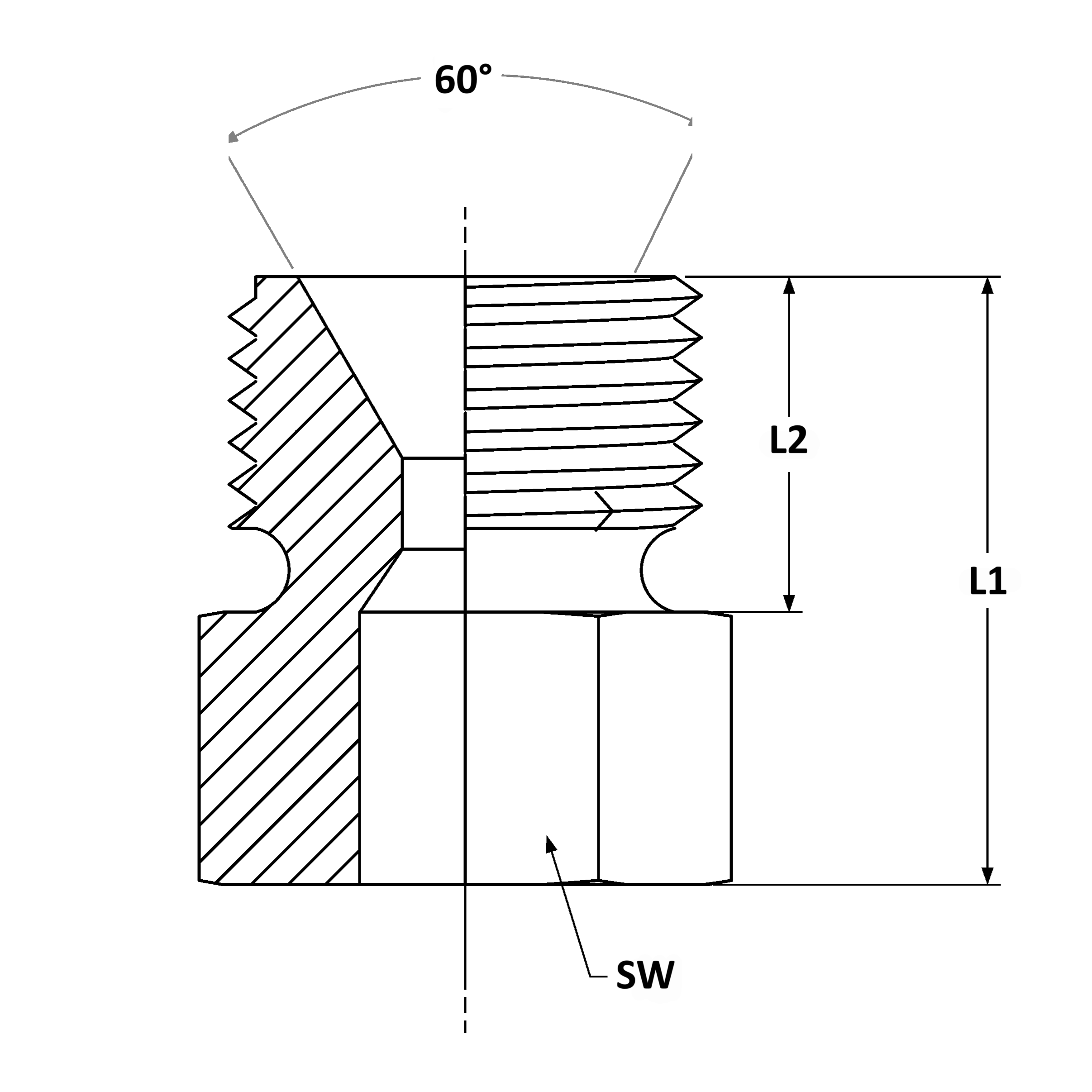
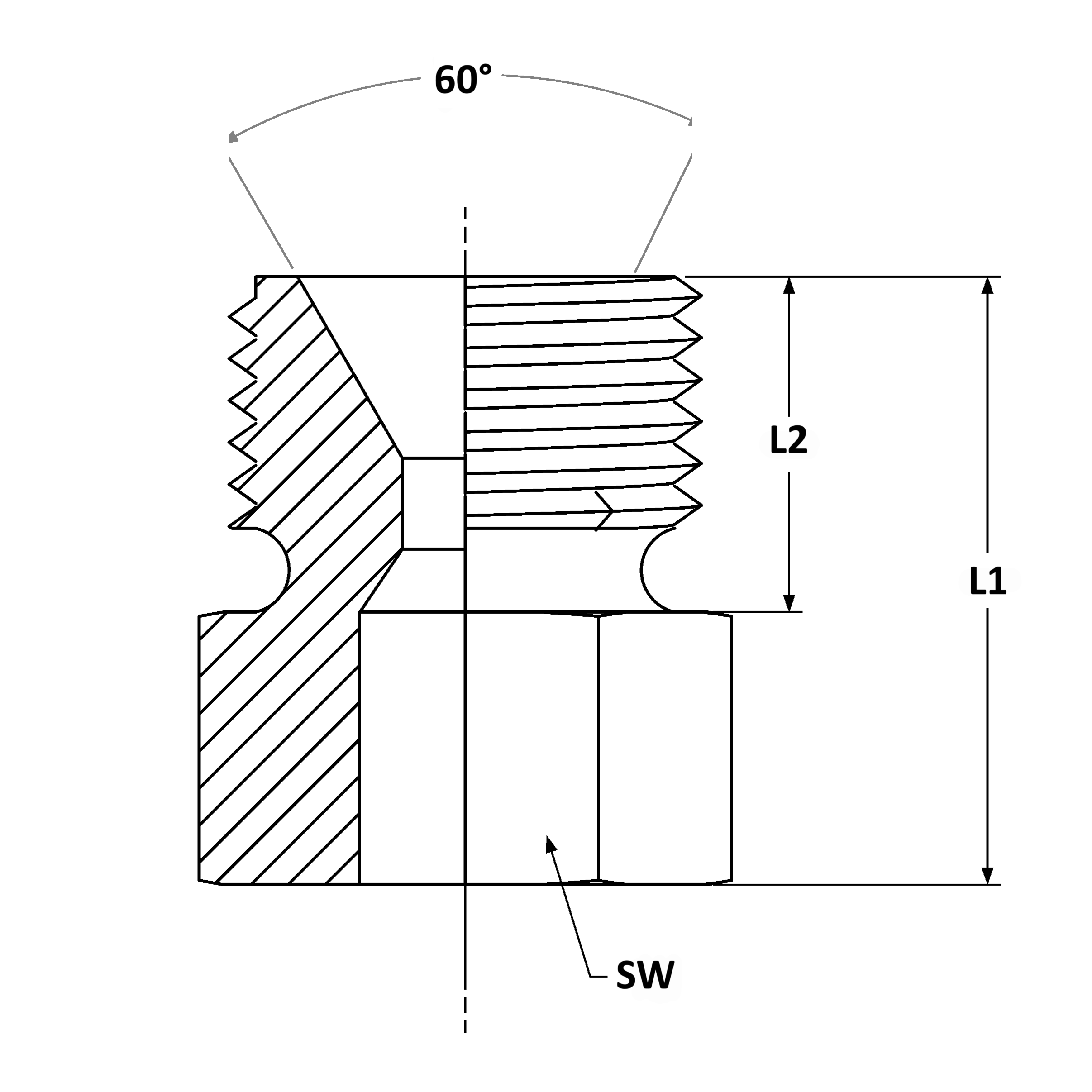
Externally Threaded Solder Fitting | 60°
Suitable for brazing onto steel tubing.
Part Diagram and technical information is shown below
Description
The Cohline portfolio of precision-engineered adapters and fittings provides a reliable and flexible solution for routing fluid transfer lines—including fuel, oil, and coolant—across a wide range of high-performance automotive and motorsport applications. Designed to withstand the extreme demands of elevated pressure, thermal cycling, and high dynamic loads, these components are recognised as a standard in advanced fluid management systems. Each fitting is CNC-machined to ensure optimal mechanical integrity, dimensional stability, and resistance to fatigue and chemical degradation. This level of engineering ensures consistent performance and long service life in the harshest operational environments.
Material
Mild Steel
DIN Standard
DIN 7633 (replacement for DIN 7613)

Part Diagram
Product Specification
Part Number | for pipe outer Ø, d (mm) | DN (NW) | Thread |
SW (mm) |
L1 | L2 |
9050.0300 | 5 | 3 | M10 x 1 | 11 | 13 | 8 |
9050.0600 | 8 | 6 | M14 x 1.5 | 14 | 16 | 10 |
9050.0800 | 10 | 8 | M16 x1.5 | 17 | 17 | 11 |
9050.1000 | 12 | 10 | M18 x 1.5 | 19 | 19 | 11 |
9050.1600 | 18 | 16 | M26 x 1.5 | 27 | 22 | 12 |
9050.2000 | 22 | 20 | M30 x 1.5 | 30 | 24 | 14 |

Questions or Enquiries?
Please reach out to us if you have any question or custom enquiries, we'd love to hear from you